| 四、线粒体 | 《病理学》 |
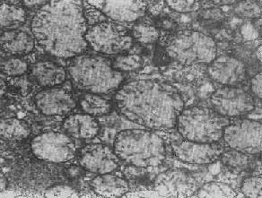
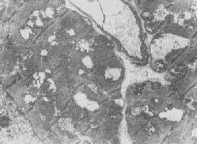
四、线粒体线粒体(mitochondrion)是细胞内主要的能量形成所在,故不论在生理上或病理上都具有十分重要的意义。 线粒体为线状、长杆状、卵圆形或圆形小体,外被双层界膜。外界膜平滑,内界膜则折成长短不等的嵴并附有基粒。内外界膜之间为线粒体的外室,与嵴内隙相连,内界膜内侧为内室(基质室)(图1-8)。在合成甾类激素的内分泌细胞(如肾上腺皮质细胞、卵甾滤泡细胞、睾丸的Leydig细胞等),线粒体嵴呈小管状。内外界膜的通透性不同,外界膜的通透性高,可容许多种物质通过,而内界膜则构成明显的通透屏障,使一些物质如蔗糖和NADH全然不能通过,而其他物质如Na+ 和Ca 2+等也只有借助于主动运输才能通过。线粒体的基质含有电子致密的无结构颗粒(基质颗粒),与二价阳离子如Ca2+及Mg2+具有高度亲和力。基质中进行着β氧化、氧化脱羧、枸橼酸循环以及尿素循环等过程。在线粒体的外界膜内含有单胺氧化酶以及糖和脂质代谢的各种转移酶;在内界膜上则为呼吸链和氧化磷酸化的酶类。 线粒体是对各种损伤最为敏感的细胞器之一。在细胞损伤时最常见的病理改变可概括为线粒体数量、大小和结构的改变: 1.数量的改变 线粒体的平均寿命约为10天。衰亡的线粒体可通过保留的线粒体直接分裂为二予以补充。在病理状态下,线粒体的增生实际上是对慢性非特异性细胞损伤的适应性反应或细胞功能升高的表现。例如心瓣膜病时的心肌线粒体、周围血液循环障碍伴间歇性跛行时的骨骼肌线粒体的呈增生现象。 线粒体数量减少则见于急性细胞损伤时线粒体崩解或自溶的情况下,持续约15分钟。慢性损伤时由于线粒体逐渐增生,故一般不见线粒体减少(甚至反而增多)。此外,线粒体的减少也是细胞未成熟和(或)去分化的表现。 2.大小改变 细胞损伤时最常见的改变为线粒体肿大。根据线粒体的受累部位可分为基质型肿胀和嵴型肿胀二种类型,而以前者为常见。基质型肿胀时线粒体变大变圆,基质变浅、嵴变短变少甚至消失(图1-9)。在极度肿胀时,线粒体可转化为小空泡状结构(图1-10,图1-11)。此型肿胀为细胞水肿的部分改变。光学显微镜下所谓的浊肿细胞中所见的细颗粒即肿大的线粒体。嵴型肿较少见,此时的肿胀局限于嵴内隙,使扁平的嵴变成烧瓶状乃至空泡状,而基质则更显得致密。嵴型肿胀一般为可复性,但当膜的损伤加重时,可经过混合型而过渡为基质型。 线粒体为对损伤极为敏感的细胞器,其肿胀可由多种损伤因子引起,其中最常见的为缺氧;此外,微生物毒素、各种毒物、射线以及渗透压改变等亦可引起。但轻度肿大有时可能为其功能升高的表现,较明显的肿胀则恒为细胞受损的表现。但只要损伤不过重、损伤因子的作用不过长,肿胀仍可恢复。 线粒体的增大有时是器官功能负荷增加引起的适应性肥大,此时线粒体的数量也常增多,例如见于器官肥大时。反之,器官萎缩时,线粒体则缩小、变少。
图1-8 心肌细胞线粒体
图1-9 线粒体肿
图1-10肾小管上皮细胞线粒体部分空泡变
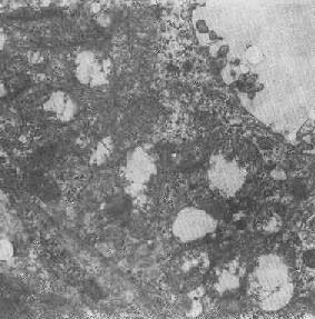
图1-11 线粒体肿胀(基质型)空泡变(心肌缺氧) 3.结构的改变 线粒体嵴是能量代谢的明显指征,但嵴的增多未必均伴有呼吸链酶的增加。嵴的膜和酶平行增多反映细胞的功能负荷加重,为一种适应状态的表现;反之,如嵴的膜和酶的增多不相平行,则是胞浆适应功能障碍的表现,此时细胞功能并不升高。 在急性细胞损伤时(大多为中毒或缺氧),线粒体的嵴被破坏;慢性亚致死性细胞损伤或营养缺乏时,线粒体的蛋白合成受障,以致线粒体几乎不再能形成新的嵴。 根据细胞损伤的种类和性质,可在线粒体基质或嵴内形成病理性包含物。这些包含物有的呈晶形或副晶形(可能由蛋白构成),如在线粒体性肌病或进行性肌营养不良时所见(图1-12);有的呈无定形的电子致
图1-12 线粒体内晶形包含体(进行性肌营养不良症) 密物,常见于细胞趋于坏死时,乃线粒体成分崩解的产物(脂质和蛋白质),被视为线粒体不可复性损伤的表现。线粒体损伤的另一种常见改变为髓鞘样层状结构的形成,这是线粒体膜损伤的结果。 衰亡或受损的线粒体,最终由细胞的自噬过程加以处理并最后被溶酶体酶所降解消化。
|
返回目录 |