三、卵巢生殖细胞肿瘤《病理学》

三、卵巢生殖细胞肿瘤

卵巢生殖细胞占卵巢肿的15%~20%,20岁以下的卵巢患者约60%属此类,所幸的是95%的生殖细胞为良性囊性畸胎。患者越年轻,所发生肿的恶性程度可能越高。

(一)卵巢畸胎

来源于卵巢多能的生殖细胞,其良恶性程度主要取决于组织的成熟度,因此将畸胎分为成熟型和未成熟型两大类。

1.成熟型畸胎(teratoma,mature type) 多数为囊性,称囊性畸胎,属良性,大多为单侧性。在卵巢生殖细胞中最多见,占卵巢畸胎的97%~99%,占所有卵巢肿的20%。多发生于生育期妇女。

【病变】

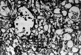
肉眼观,肿多为囊性、中等大小,表面光滑,囊内含毛发团及皮脂样物(图13-22)。囊壁较厚,内侧常有一处突起的结节或我称头节,表面被覆鳞状上皮,结节内常有毛发、牙或骨质等。肿多数为单房。镜下,可见到三胚层各种类型的成熟组织,其中以皮肤、皮脂腺、汗腺、毛囊及脂肪最多见;其次为软骨、神经胶质、神经细胞、骨及呼吸上皮;其他如甲状腺、胃肠上皮及牙等较少见。

卵巢囊性畸胎<a href=瘤"/>

图13-22 卵巢囊性畸胎

囊内充满含有毛发的黄色油脂样物

囊性畸胎预后好,少数可发生恶性变,最常见者恶变为鳞。恶性变常发生在囊壁内头节附近,故检查时应注意取材部位。

2.未成熟型畸胎(teratoma,immature type)此型较少见,仅占卵巢畸胎的1%~3%。多见于25岁以下的年轻患者。

【病变】

肉眼观,肿多为单侧性,体积一般较大,结节状,切面多为实性,夹杂有单个或多个大小不等的囊性部分。实性部分常为杂色,灰白、棕色或黄色,质软而脆,常有出血坏死。镜检可见由三胚层分化而来的未成熟和成熟组织混合组成。常见的未成熟组织为神经组织,如原始神经上皮和室管膜等结构及各种胚胎性组织,如胚胎性骨、软骨及肌肉等。皮肤组织较成熟型少见。其中可混杂一些各胚层的成熟组织。

未成熟型畸胎常合并其他生殖细胞肿,如内胚窦、无性细胞及绒等。一般说,肿组织中未成熟组织及胚胎性组织的含量与临床恶性程度有关。病理上根据未成熟组织的含量,可分3级:①1级,主要为成熟组织,有少量未成熟组织,没有神经上皮或每一切片中神经上皮不超过一个高倍视野;②2级,有较多未成熟组织,每一切片中所含神经上皮不超过1~3个高倍视野;③3级,未成熟组织量多,每一切片中神经上皮超过4个高倍视野。

预后

未成熟畸胎的预后与病理分级、临床分期密切相关。复发及转移者多为2、3级。转移的部位多在盆腔及腹腔内,远处转移极少。

(二)无性细胞

无性细胞(dysgerminoma),较少见,约占卵巢恶性肿的1%~2%,多见于10~25岁年轻妇女。

【病变】

肉眼观,常为单侧性,约10%为双侧性。肿多为圆或卵圆形,表面光滑,质韧。切面多为实性,有不同程度的出血坏死或囊性变,色灰红、暗红及棕黄色。镜下,与典型的睾丸精原细胞非常相似,细胞体积大而圆,比较一致,胞浆因含糖原而透明。核大,圆或卵圆形,大小形态一致,小泡状,核仁明显,核分裂像常见。细胞排列成片块、巢状或条索。细胞间常有不等量的淋巴细胞浸润及多少不等的纤维组织。由于肿细胞形态和组织化学特性与未分性别的原始生殖细胞极相似,故命名为无性细胞

预后较好,对放射线敏感,5年生存率90%~95%。约5%病人对侧卵巢在显微镜下才能发现肿,因此手术时必须进行活检,作冷冻切片检查。

可直接蔓延扩散至盆腔附近器官及通过淋巴系播散到腹膜后及主动脉旁淋巴结等,晚期也可经血行播散到肺及肝等。

(三)内胚窦

内胚窦(endodermal sinus tumor)又称卵黄囊(yolk sac tumor),来源于多能的生殖细胞,向胚外结构方向分化而形成的一种高度恶性的生殖细胞肿。多见于儿童及年轻妇女,平均年龄18岁。除卵巢外,还可发生于骶尾、腹膜后、纵隔、松果体等处。

【病变】

肉眼观,肿多为单侧性,以右侧为多,一般体积较大,平均直径为15~25cm,圆或卵圆形,表面光滑。切面多为实性,质较脆,灰白或粉白色,常有出血坏死及囊性变。镜检,组织形态较复杂及特殊,主要特征有下列几点:①网状结构,是最常见的形态,由星芒状的细胞形成疏松网状结构(图13-23),其中有微型小囊或间隙,囊腔被覆扁平或立方细胞,这种结构类似胚外中胚层结构;②内胚窦样结构,立方或柱状的细胞成单层排列,包绕毛细血管,形成一血管套样结构,这种结构横切面很像肾小球,称为Schiller-Duval小体,这种小体和大鼠胎盘内的Duval内胚窦结构相似,这种结构可能是由卵黄囊衍生演变而来;③多泡性卵黄囊样结构,特征是由扁平上皮、立方或低柱状的细胞形成大小不等的囊腔,其间隔以致密的结缔组织或疏松的粘液样间质,这种结构与胚胎时期的卵黄囊(胚外内胚层)相似;④在细胞内及细胞间隙可见PAS阳性的大小不等的嗜酸性小滴,免疫组化显示这种小滴含有甲胎蛋白(AFP),正常情况下,卵黄囊可合成AFP;⑤可见腺样、乳头状及实体细胞团结构等。

内胚窦<a href=瘤"/>

图13-23 内胚窦

呈疏松网状粘液样结构,其中有互相沟通、衬以上皮的腔隙及小囊腔,在细胞内外可见嗜酸性玻璃样小球及基底膜样物

恶性度很高,预后差,对放射线不敏感。近年应用联合化疗后,3年存活率约13%。转移途径为直接浸润及种植扩散,偶有淋巴结转移,极少血行转移。

(四)胚胎性

胚胎性(embryonal carcinoma)为来自具有向胚外或胚内结构分化潜能的原始生殖细胞的一种未分化。较罕见,约占卵巢恶性生殖细胞的5%。多见于儿童及青年,平均年龄为15岁。

【病变】

肉眼观,肿一般为单侧性,体积较大,平均直径17cm,实性。切面棕褐或灰白色,常见出血坏死及囊性变。镜下,细胞为大而幼稚的多形性细胞,胞浆中性呈不同程度的空泡状。核大而圆,空泡状,染色质粗,核仁明显,1至多个,核分裂像多见。细胞排列呈实性巢状或腺泡、管状或乳头状,并常见散在的像合体滋养层细胞的多核巨细胞。免疫组化染色显示这种巨细胞含有绒毛膜促性腺激素(HCG),非巨细胞性细胞内含有甲胎蛋白。

为高度恶性,预后差,早期即可向局部器官和腹膜浸润,或通过淋巴道播散。5年存活率39%。

上一页:二、卵巢性腺间质肿瘤
当前页:三、卵巢生殖细胞肿瘤
下一页:一、乳腺结构不良

返回目录