二、胰岛细胞瘤《病理学》

二、胰岛细胞瘤

胰岛细胞(islet-cell tumor)由于其构成细胞不同,所分泌的激素和引起的症状也不同。有一部分肿乃无功能性肿,临床上不出现任何特殊症状。胰岛细胞在HE染色片上不可能区分出细胞的种类,常需借助特殊染色、电镜及免疫组化技术来加以鉴别。

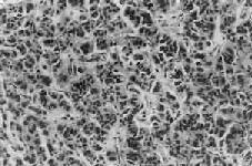
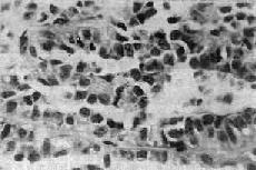
1.B细胞肿 从胰岛B细胞(即B细胞)发生的肿有腺和腺;其中一部分能分泌胰岛素,可称之为insulinoma,临床上可有低血糖症状。大约80%是单发性腺,10%为多发性腺,10%是。本可见于各个年龄层,但以40~50岁为多见。肉眼观,一般以胰体及胰尾部为多见,有完整包膜,大小为0.5~10cm,切面色微黄。组织学上,细胞似胰岛细胞,呈多角形或柱状,胞浆颗粒状,细胞排列成条索或巢状,有时可出现菊形团排列。周围绕以血窦(图15-19)。间质中常出现淀粉样物质或钙盐沉积。其恶性者称为胰岛细胞。但由于肿细胞常可因变性而出现多形性和奇异形核,因而从镜下区分良恶性有时也颇困难,常需根据其浸润性生长和淋巴结、肝转移等才能做出判断。

胰岛细胞<a href=瘤 上图"/>

胰岛细胞<a href=瘤 下图"/>

图15-19 胰岛细胞

2.Zollinger–Ellison综合征本综合征以胰岛细胞、大量胃酸分泌和溃疡病为主征。肿常为多发性,60%是恶性,细胞大小不一,细胞分泌胃泌素,故又称胃泌素(gastrinoma)。在胰岛该细胞来源不明。此可见于胰腺任何部位,也可发生在十二指肠及胃幽门窦部。由于胃泌素的作用,胃酸分泌亢进,导致溃疡病形成。溃疡主要见于十二指肠及胃,但25%可出现在空肠。患者还常有水样腹泻及脂性腹泻。

上一页:一、糖尿病
当前页:二、胰岛细胞瘤
下一页:第六节 APUD系统肿瘤

返回目录